Fine Chemicals
- 塑膠化學品
- 半導體用化學品
- Anti-hydrolysis agent抗水解劑
- Antioxidants抗氧化劑
- UV stablizers/Photostabilizers紫化線吸收劑/光穩定劑
- Aldehyde resin聚醛樹脂
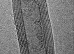
- 奈米碳管粉末Carbon nanotubes powder
- 奈米碳管與石墨烯導電漿料Carbon nanotubes and graphene conductive paste
- 防靜電母粒Advanced Antistatic Agent for Diffusion Sheets and EPS/EPP/EPE Foam
- 奈米碳管塑膠母粒Carbon nanotube masterbatch
CNT Average Diameter 7-11nm
Length 5-20um
Purity ≧90%, ≧98.5%, ≧99.9%
Ash ≦10%, ≦2%, ≦1.5%
Specific Surface Area(BET) 200-300m²/g
Tap Density 0.01-0.2g/cm³
Moisture Content <1000 ppm
產品庫存:0
- 折扣價:NT$
- 售價:NT$
- 定價:NT$


